13981935128
首页
关于我们
公司简介
公正申明
新闻资讯
行业资讯
公司新闻
行业动态
热点新闻
服务范围
职业卫生检测/评价
职业病危害因素检测
职业病危害现状评价
职业病危害预评价
职业病危害防护设施设计
职业病危害控制效果评价
职业病危害应急救援员
环境检测/评价
环境检测
环境影响评价
环境验收
突发环保事件应急预案
放射卫生检测/评价
放射卫生检测
放射卫生评价
安全
安全评估报告
安全应急预案
安全清单制
安全标准化
安全双预控
项目公示
客户留言
人才招聘
联系我们
您现在的位置:
首页
> > 项目公示
服务范围
职业卫生检测/评价
职业病危害因素检测
职业病危害现状评价
职业病危害预评价
职业病危害防护设施设计
职业病危害控制效果评价
职业病危害应急救援员
环境检测/评价
环境检测
环境影响评价
环境验收
突发环保事件应急预案
放射卫生检测/评价
放射卫生检测
放射卫生评价
安全
安全评估报告
安全应急预案
安全清单制
安全标准化
安全双预控
最新新闻
News
N
第三方检测实验室是什么
什么叫第三方检测机构?
第三方检测机构公司要具备什么资质
第三方检测报告费用是多少 影响因素有哪些
热搜关键词
Keywords
K
联系我们
Contact Us
C
四川盛和鼎安科技有限公司
电 话:13981935128
传 真:028-83386767
邮 箱:116389382@qq.com
网 址:
地 址:四川省成都市龙泉驿区成龙大道1666号 经开科技产业孵化园 B1-2栋203号
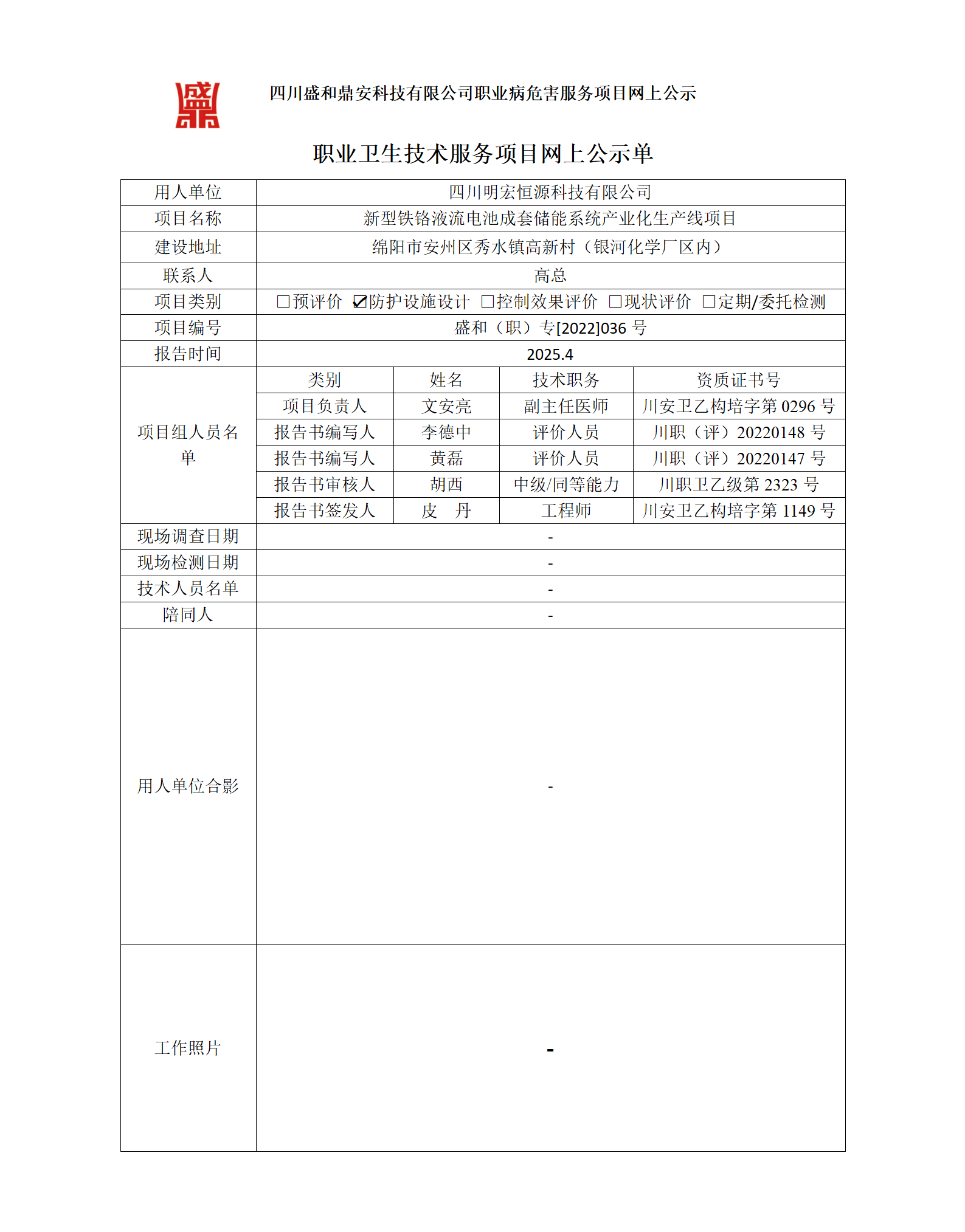
四川明宏恒源科技有限公司
发表时间:
2025-07-04
阅读次数: 字体:【
大
中
小
】
上一篇:
成都友一包装有限公司
下一篇:
四川山之田模型科技有限公司